3П602Г-2(Ni)
Описание
Транзисторы 3П602Г-2 полевые арсенидогаллиевые эпитаксиально-планарные с барьером Шотки и каналом п-типа сверхвысокочастотные генераторные.
Предназначены для применения в усилителях мощности, преобразователях частоты на частотах 3...12 ГГц в герметизированной аппаратуре.
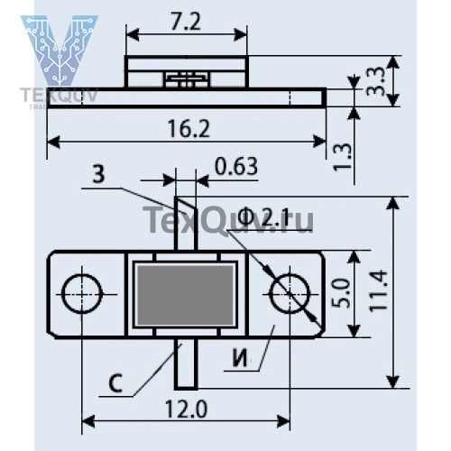
Транзисторы 3П602А-2, 3П602Б-2, 3П602В-2, 3П602Г-2, 3П602Д-2 бескорпусные с гибкими выводами на металлокерамическом кристаллодержателе.
Тип прибора указывается на крышке кристаллодержателя.
Транзисторы 3П602Б-5, 3П602Д-5 выпускаются в виде кристаллов с контактными площадками без кристаллодержателя и без выводов для применения в гибридных интегральных микросхемах.
Тип прибора указывается в этикетке.
Масса бескорпусного транзистора не более 1,5 г, кристалла не более 0,0006 г.
Тип корпуса: КТ-52.
Технические условия: аА0.339.227 ТУ.
Характеристики
| Масса, г | 1,5 |
|---|---|
| Тип корпуса | КТ-52 |
