3П320Б-2(Ni)
Описание
Транзисторы 3П320Б-2 полевые арсенидгаллиевые планарные с каналом n-типа.
Предназначены для применения во входных и последующих каскадах малошумящих усилителей в составе гибридных интегральных микросхем.
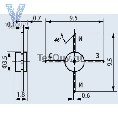
Бескорпусные на керамическом кристаллодержателе с гибкими поисковыми выводами и керамической крышкой.
На крышку наносится условная маркировка цветной точкой:
- 3П320А-2, АП320А-2 - красной,
- 3П320Б-2, АП320Б-2 - зеленой.
Тип прибора указывается в этикетке.
Масса транзистора не более 0,2 г.
Тип корпуса: КТ-22.
Технические условия: аА0.339.167 ТУ.
Основные технические характеристики транзистора 3П320А-2:
• Структура транзистора: с n-каналом;
• Рси max - Рассеиваемая мощность сток-исток: 80 мВт;
• Uси max - Максимальное напряжение сток-исток (постоянное): 4 В;
• Uзс max - Максимальное напряжение затвор-сток (постоянное): 8 В;
• Uзи max - Максимальное напряжение затвор-исток (постоянное): 5 В;
• S - Крутизна характеристики: 5... 16 мА/В;
• С11и - Входная емкость транзистора - емкость между затвором и истоком: 0,18 пФ;
• С12и - Емкость обратной связи в схеме с общим истоком при коротком замыкании на входе по переменному току: 0,15 пФ;
• Ку.р - Коэффициент усиления по мощности: не менее 3 дБ на частоте 8 ГГц;
• Кш - Коэффициент шума транзистора: не более 4,5 дБ на частоте 8 ГГц
Характеристики
| Масса, г | 0,2 |
|---|---|
| Тип корпуса | КТ-22 |
