2Т866А (NI)
Описание
Транзисторы 2Т866А кремниевые эпитаксиально-планарные структуры n-p-n переключательные.
Предназначены для применения в переключающих устройствах, источниках вторичного электропитания.
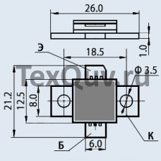
Выпускаются в металлокерамическом корпусе с гибкими выводами.
Тип прибора указывается на корпусе.
Масса транзистора не более 7 г.
Тип корпуса: КТ-57.
Технические условия: аА0.339.431 ТУ.
Основные технические характеристики транзистора 2Т866А:
• Структура транзистора: n-p-n;
• Рк т max - Постоянная рассеиваемая мощность коллектора с теплоотводом: 30 Вт;
• fгр - Граничная частота коэффициента передачи тока транзистора для схемы с общим эмиттером: более 25 МГц;
• Uкбо max - Максимальное напряжение коллектор-база при заданном обратном токе коллектора и разомкнутой цепи эмиттера: 200 В;
• Uэбо max - Максимальное напряжение эмиттер-база при заданном обратном токе эмиттера и разомкнутой цепи коллектора: 4 В;
• Iк max - Максимально допустимый постоянный ток коллектора: 20 А;
• Iк и max - Максимально допустимый импульсный ток коллектора: 20 А;
• Iкбо - Обратный ток коллектора - ток через коллекторный переход при заданном обратном напряжении коллектор-база и разомкнутом выводе эмиттера: не более 25 мА (100В);
• h21э - Статический коэффициент передачи тока транзистора для схем с общим эмиттером: более 15;
• Ск - Емкость коллекторного перехода: не более 400 пФ;
• Rкэ нас - Сопротивление насыщения между коллектором и эмиттером: не более 0,15 Ом;
• tвыкл - Время выключения:: не более 450 нс
Характеристики
| Масса, г | 7 |
|---|---|
| Технические условия | аА0.339.431 ТУ |
| Тип корпуса | КТ-57 |
