2Т391А-2((Au)
Описание
Транзисторы 2Т391А-2 кремниевые эпитаксиально-планарные структуры n-p-n усилительные с нормированным коэффициентом шума на частоте 3,6 ГГц.
Предназначены для применения во входных и последующих каскадах усилителей сверхвысоких частот в составе гибридных интегральных микросхем, блоков и аппаратуры, обеспечивающих герметизацию.
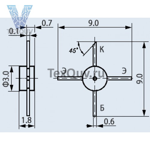
Бескорпусные с гибкими выводами на кристаллодержателе.
На крышке транзистора наносится условная маркировка цветными точками:
- 2Т391А-2 - одна черная;
- 2Т391Б-2 - одна белая;
- КТ391А-2 - две черные;
- КТ391Б-2 - две белые;
- КТ391В-2 - две синие.
Тип прибора указывается также в этикетке, вкладываемой в групповую упаковку.
Масса транзистора не более 0,2 г.
Тип корпуса: КТ-22.
Технические условия: аА0.339.046 ТУ.
Характеристики
| Масса, г | 0,2 |
|---|---|
| Тип корпуса | КТ-22 |
