АРТИКУЛ: 0008846
2Т3132Б-2(Ni)
Нет в наличии
Цена по запросу
Цена с учетом НДС
Быстрая доставка
Описание
Транзисторы 2Т3132Б-2 кремниевые эпитаксиально-планарные структуры n-p-n усилительные с нормированным коэффициентом шума.
Предназначены для применения в СВЧ маломощных усилителя диапазона частот 1...7,2 ГГц герметизированной аппаратуры.
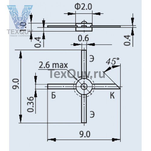
Бескорпусные на кристаллодержателе с гибкими выводами.
Транзистор 2Т3132А-5 выпускается в виде кристаллов без кристаллодержателя и без выводов.
Тип прибора указывается в этикетке.
Масса транзистора в держателе не более 0,2 г, кристалла - не более 0,002 г.
Тип корпуса: КТ-21.
Технические условия: аА0.339.300 ТУ
Характеристики
| Масса, г | 0,2 |
|---|---|
| Тип корпуса | КТ-21 |
