АРТИКУЛ: 0001495
NNG1-0/032F-20-10A, Реле 5-32VDC, 10A/250VDC однофазное
Нет в наличии
1 000.00 ₽
Цена с учетом НДС
Быстрая доставка
Описание
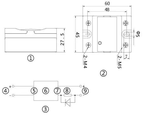
Улучшенное однофазное твердотельное реле NNG1-0/032F-20 DC-DC используется в сфере автоматического управления, например для сигнального света, сцинтиллятора, системы управления освещения, инструментов и аппаратов, медицинского оборудования, копировального устройства, стиральной машины, противопожарного оборудования и системы обеспечения безопасности, а так же используется как переключатель в мощном конденсаторе для компенсации фактора мощности сети. В дополнении однофазное реле NNG1-0/032F-20 DC-DC широко используется в неблагоприятных условиях и в случае частых переключений, например химическая и угольная промышленность, в которых необходимо предотвратить взрыв, обвал, грязь и разрушения.

Характеристики
| Коммутируемое напряжение (постоянное и переменное), В | постоян. 12-250 |
|---|---|
| Максимальный ток нагрузки А | 10 |
| Тип коммутируемой сети | однофазная |
| Управляющее напряжение (переменное/постоянное) В | постоян. 5-32 |
